BELIMO 22DT-12T főbb tulajdonságai
Tápfeszültség:
DC 15...24 V, ±10%, 0.35 W
AC 24 V, , ±10%, 0.82 VA
Csatlakozás: levehető rugós sorkapocs max. 2.5 mm2
Szenzor: multirange - 8 kiválasztható mérési tartomány
Kimeneti jel: DC 0...5 V vagy DC 0...10 V jumperrel választható, min. 5 kΩ terhelés
Mért értékek:
Hőmérséklet
Hőmérséklet mérési tartomány: kiválasztható mérési tartomány
| Beállítás |
Tartomány [°C] |
Tartomány [°F] |
Gyári beállítás |
| S0 |
-50...50°C |
-30...130°F |
|
| S1 |
-10...120°C |
0...250°F |
|
| S2 |
0...50°C |
40...140°F |
|
| S3 |
0...250°C |
30...480°F |
|
| S4 |
-15...35°C |
0...100°F |
|
| S5 |
0...100°C |
40...240°F |
|
| S6 |
-20...80°C |
40...90°F |
|
| S7 |
0...160°C |
0...150°F |
S7 gyárilag |
Hőmérséklet mérési pontosság: ±0.5°C 21°C-on [±0.9°F 70°F-en]
Működés feltétele a környezetre nézve:
páratartalom max. 95% r.H., lecsapódásmentesen
környezeti hőmérséklet -35...50°C [-30...120°F]
folyadék mérésénél a folyadék -50...180°C [-60...355°F]
Védettség: IP65
UV álló burkolat
Tartozék: rögzítő bilincs
22DT-12T magyar nyelvű adatlap
Telepítési útmutató
Bekötési segédlet:

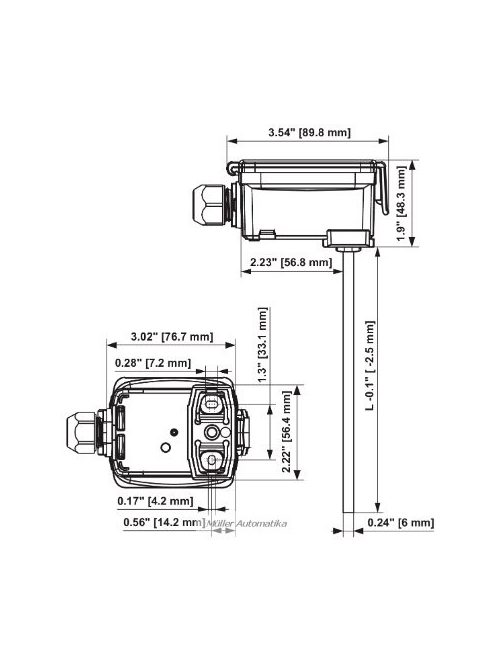
Méretek:
