BELIMO 22DTM-15 főbb tulajdonságai
Szonda hossza: 180 mm, Ø19.5 mm
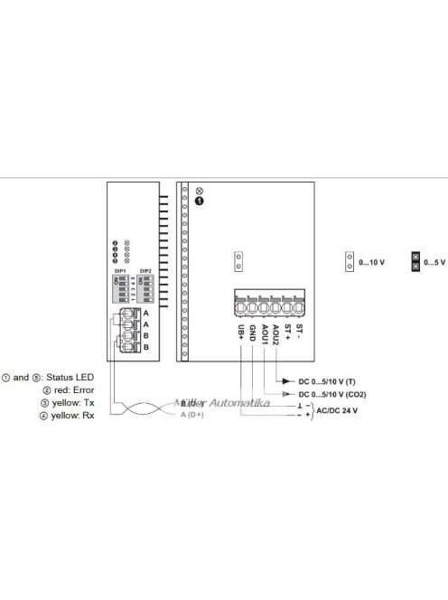
Tápfeszültség:
DC 15...24 V, ±10%, 0.3 W
AC 24 V, , ±10%, 6 VA
Csatlakozás: levehető rugós sorkapocs max. 2.5 mm2
Mért értékek:
CO₂
Hőmérséklet
Relatív páratartalom
Abszolút páratartalom
Entalpia
Harmatpont
CO₂ szenzor technológia: két csatornás NDIR
Kimeneti jel:

DC 0...5 V vagy DC 0...10 V kapcsolóval választható
CO₂ mérési tartomány: 0...2000 ppm (Modbuson keresztül kiválasztható)
Hőmérséklet mérési tartomány: 0...50°C [30...120°F] (Modbuson keresztül kiválasztható)
Relatív páratartalom mérési tartomány: 0...100% r.H. (Modbuson keresztül kiválasztható)
Abszolút páratartalom mérési tartomány: 0...80 g/m³ (Modbuson keresztül kiválasztható)
Entalpia mérési tartomány: 0...85 kJ/kg (Modbuson keresztül kiválasztható)
Harmatpont mérési tartomány: -20...80°C (Modbuson keresztül kiválasztható)
CO₂ mérési pontosság: ±(50 ppm + mért érték 3%-a)
Hőmérséklet mérési pontosság: ±0.5°C 21°C-on [±0.9°F 70°F-en]
Páratartalom mérési pontosság: ±2% 10...90% r.H. tartományban 21°C-on
Működés feltétele a környezetre nézve:
páratartalom max. 95% r.H., lecsapódásmentesen
hőmérséklet 0...50°C [30...120°F]
Védettség: IP65
UV álló burkolat
Tartozék: karima a felszereléshez
22DTM-15 magyar nyelvű adatlap
Telepítési útmutató
Modbus-Register segédlet
Az NDIR technológiáról röviden:
Az NDIR (~Nem Diszpergáló Infravörös) az egyik legáltalánosabb módszer a CO2 mérésére.

Az infravörös fényforrás fényhullámokat bocsát egy gázzal (levegő minta) töltött csövön át egy optikai szűrőre, mely mögött egy infravörös érzékelő található. A CO2 molekulák elnyelik a fény egy meghatározott hullámhosszú komponensét. Az optikai szűrő csak azon hullámhosszú komponensét engedi át a fénynek, melyet a CO2 molekulák el képesek nyelni, így a fényérzékelőre a CO2 molekulák molekulák által el nem nyelt (maradék) fény esik. A kibocsátott és az elnyelt fény közti különbségek utalnak a CO2 molekulák mennyiségére a mintában.
Két csatornás NDIR:
A BELIMO fejlesztése a második csatorna bevezetése. A két csatornából az egyik a referencia szerepét tölti be, mely megbízhatóan kompenzálja a szenzor hosszú idejű elállítódását és a hőmérséklet-eltolódást. Ennek köszönhetően maximális pontosság és hosszú távú stabilitást jellemzi ezt a megoldást. Tehát a technológia lényege: automatikus önkalibráció.

BELIMO CO2 érzékelők bemutatása egy farm példáján keresztül:
Bekötési segédlet:

RS485 bekötés (Modbus RTU/BACnet MS/TP):

Méretek:
