BELIMO 22HH-100X főbb tulajdonságai
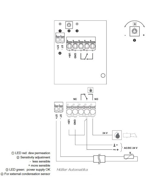
Külső szenzorral érzékeli a páralecsapódást.
A külső szenzorhoz tartozó kábel hossza: 2 m.
Csatlakozás: levehető rugós sorkapocs max. 2.5 mm2
Tápfeszültség:
DC 15...24 V, ±10%, 0.8 W
AC 24 V, , ±10%, 1.6 VA
Kimenet: relé kontaktus, szigetelt
kapcsolási áram:
max. 1 A @ 24 V
min. 5 mA @ 10 V
LED kijelző:
zöld -tápellátás OK
piros - páralecsapódás megkezdődött
Védettség: IP65
UV álló burkolat
A termékhez tartozik:
- hővezető folyadék
- kábelkötegelők
- tartólemez
- szerelőkészlet
22HH-100X nyelvű adatlap
Telepítési útmutató
Bekötési segédlet:

Méretek:
