BELIMO 22RTM-19-1 főbb tulajdonságai
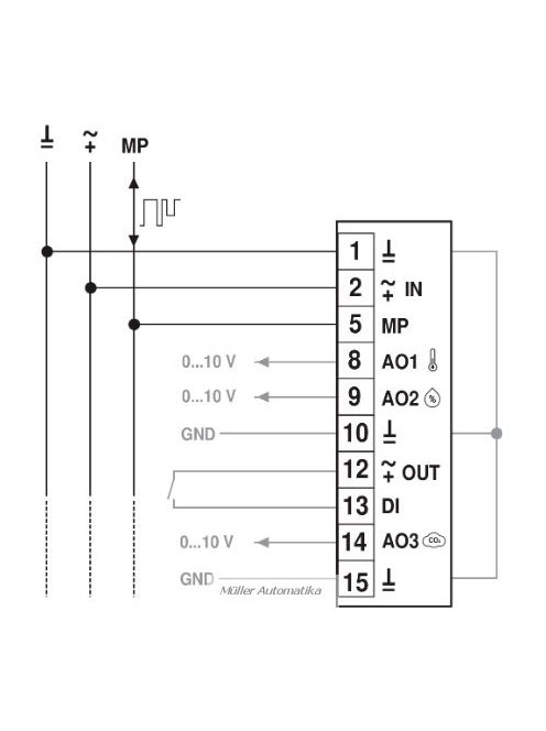
Csatlakozás: levehető rugós sorkapocs 0.25...1.5 mm2
Tápfeszültség:
DC 24 V, ±20%, 0.5 W
AC 24 V, ±20%, 1 VA
Kimeneti jel:
CO₂-re, hőmérékletre és páratartalomra egyaránt DC 0...5 V, DC 0...10 V, DC 2...10 V

Mért értékek:
CO₂
Hőmérséklet
Relatív páratartalom
Harmatpont (bármelyik kimenethez hozzárendelhető, de ez esetben valamelyik másik értékről le kell mondani)
CO₂ szenzor technológia: két csatornás NDIR
CO₂ mérési tartomány: 0...2000 ppm
Relatív páratartalom mérési tartomány: 0...100% r.H.
Hőmérséklet mérési tartomány: 0...50°C [30...120°F]
CO₂ mérési pontosság: ±(50 ppm + mért érték 2%-a)
Páratartlom mérési pontosság: ±3% 20...80% r.H. tartományban 25°C-on
Hőmérséklet mérési pontosság: ±0.5°C 25°C-on [±0.9°F 77°F-en]
Védettség: IP30
22RTM-19-1 magyar nyelvű adatlap
Telepítési útmutató
Üzembe helyezés, paraméterezés, karbantartás eszköze:
|

Belimo Assistant
|
mely ingyenesen letölthető mobilalkalmazás a GooglePlay-en (Android számára) ill. AppStore-on (iPhone és iPad számára) keresztül.
A kapcsolódáshoz szükséges:
Belimo Assistant App telepítése, valamint...
(1) NFC képes okostelefon 
VAGY
(2) Bluetooth képes okostelefon és a BELIMO Bluetooth® to NFC converter, mely tartozéka az alapterméknek (minden NFC interfésszel rendelkező Belimo termék tartozéka).

BELIMO helységérzékelők részletes bemutatója:
BELIMO 22RT sorozatú beltéri szenzorok üzembe helyezéséről:
Az MP-Bus alapjai: 
Bevezetés az MP-Bus felépítésébe (angol nyelvű)
Master-Slave tipusú topológiafüggetlen (csillag, gyűrű, fa is elfogadható) buszrendszer, melyben a Master egy PLC/DDC-kontroller (pl. Saia, Wago) vagy átjáró (gateway), mely PC-hez csatlakozik.

Az MP-buszrendszeren a Slave szerepet a különböző (MP-Bus képes) szenzorok és aktuátorok töltik be.

Az MP-Bus képes eszközök gyártóinak köre.
Adatpontok beltéri érzékelőkhöz (MP-Bus)
BELIMO 22RT sorozat további jellemzői:


- Minimális szerszámigényű beszerelés

- Digitális bemenetek lehetővé teszik külső eszközök csatlakoztatását a 22RT-hez (foglaltsági kapcsoló, ajtónyitás érzékelő), mely tápfeszültséggel is képes ellátni a külső eszjközöket.

- Polaritásvédelem: fordítva bekötés esetén védi az áramköröket

- Nagy pontosságú mérések és kis mértékben befolyásolja a fal hőmérséklete (alacsony a falra vonatkozó hőátadási tényező), melyre fel lett szerelve.

Az elhelyezés előtt érdemes figyelembe venni:

Bekötési segédlet:

A kimeneti jelek (DC 0...5 V, DC 0...10 V, DC 2...10 V) értelemszerűen megtalálhatóak az AO1 (hőmérséklet), AO2 (páratartalom/harmatpont), AO3 (CO2) kontaktusokon.
Méretek:
