BELIMO 22DTM-1106 főbb tulajdonságai
Szonda hossza: 180 mm, Ø19.5 mm
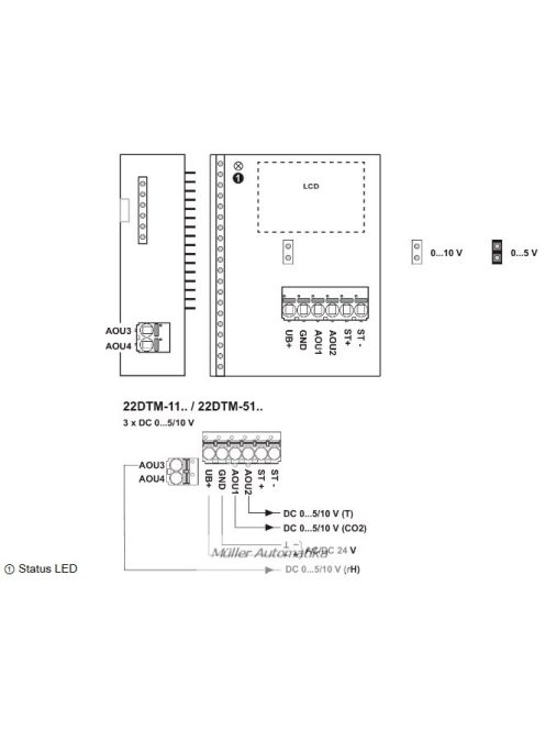
Tápfeszültség:
DC 15...24 V, ±10%, 1.5 W
AC 24 V, , ±10%, 2.9 VA
Csatlakozás: levehető rugós sorkapocs max. 2.5 mm2
Mért értékek:
CO₂
Hőmérséklet
Relatív páratartalom
CO₂ szenzor technológia: két csatornás NDIR
Kimeneti jel:
CO₂ DC 0...10V
hőmérékletre DC 0...5 V vagy DC 0...10 V jumperrel választható, min. 10 kΩ terhelés
Megjelenítő : LCD kijelző a CO₂, hőmérséklet és páratartalom értékeivel (csak a 22DTM-1106 esetében!)
CO₂ mérési tartomány: 0...2000 ppm
Hőmérséklet mérési tartomány: 0...50°C [30...120°F]
Páratartalom mérési tartomány: 0...100% r.H.
CO₂ mérési pontosság: ±(50 ppm + mért érték 3%-a)
Hőmérséklet mérési pontosság: ±0.5°C 21°C-on [±0.9°F 70°F-en]
Páratartalom mérési pontosság: ±2% 10...90% r.H. tartományban 21°C-on
Működés feltétele a környezetre nézve:
páratartalom max. 95% r.H., lecsapódásmentesen
hőmérséklet 0...50°C [30...120°F]
Védettség: IP65
UV álló burkolat
Tartozék: karima a felszereléshez
22DTM-1106 magyar nyelvű adatlap
Telepítési útmutató
Az NDIR technológiáról röviden:
Az NDIR (~Nem Diszpergáló Infravörös) az egyik legáltalánosabb módszer a CO2 mérésére.

Az infravörös fényforrás fényhullámokat bocsát egy gázzal (levegő minta) töltött csövön át egy optikai szűrőre, mely mögött egy infravörös érzékelő található. A CO2 molekulák elnyelik a fény egy meghatározott hullámhosszú komponensét. Az optikai szűrő csak azon hullámhosszú komponensét engedi át a fénynek, melyet a CO2 molekulák el képesek nyelni, így a fényérzékelőre a CO2 molekulák molekulák által el nem nyelt (maradék) fény esik. A kibocsátott és az elnyelt fény közti különbségek utalnak a CO2 molekulák mennyiségére a mintában.
Két csatornás NDIR:
A BELIMO fejlesztése a második csatorna bevezetése. A két csatornából az egyik a referencia szerepét tölti be, mely megbízhatóan kompenzálja a szenzor hosszú idejű elállítódását és a hőmérséklet-eltolódást. Ennek köszönhetően maximális pontosság és hosszú távú stabilitást jellemzi ezt a megoldást. Tehát a technológia lényege: automatikus önkalibráció.

BELIMO CO2 érzékelők bemutatása egy farm példáján keresztül:
Bekötési segédlet:

Méretek:
